Los Soportes Cilíndricos, son dispositivos para hacer sujeciones o fijaciones elásticas. Se presta a los usos más variados sobre todo para suspensiones elásticas y aislamiento antivibratorio de máquinas y diversos órganos mecánicos. Están constituidos por un bloque de caucho con dos armaduras metálicas paralelas en los extremos que permiten su fijación bien por tornillos en el modelo ‘’Hembra’’. El bloque de caucho puede ser cilíndrico en los casos que se requiera mayor capacidad de carga o en forma de diábolo cuando se requiere una mayor elasticidad en todas las direcciones.
Características generales:
- Según el tamaño del bloque de caucho el Soportes Cilíndricos AMC Mecanocaucho® tiene una mayor o menor elasticidad, siendo ésta, mayor sobre todo en las direcciones perpendiculares a su eje (cizallamiento).
- El elemento Soportes Cilíndricos AMC Mecanocaucho® posibilita de esta forma realizar uniones que permiten importantes desplazamientos relativos, hasta de varios milímetros (caso de dilataciones térmicas, deformaciones de chasis, etc.).
- El elemento Soportes Cilíndricos AMC Mecanocaucho® se presta muy bien al aislamiento vibratorio de máquinas donde las vibraciones son perpendiculares a su eje, salvo que estos esfuerzos sean demasiado importantes aplicados en este sentido.
Aplicaciones:
- Se montan ventajosamente sobre pequeños grupos moto-bombas, moto-ventiladores, secadoras, cribas, compactadores, máquinas de lavar, motores eléctricos, tableros de abordo, aparatos de medida, armarios de control, micrófonos, tubos fluorescentes, etc.
Funcionamiento y montaje:
- Su elasticidad es mucho más grande en todas las direcciones paralelas a las armaduras que en la dirección perpendicular.
- El caucho trabaja a compresión o a cizallamiento según sea el sentido en que se coloque en su montaje.
- Este sentido se realiza en función de la utilización y del fin que se persigue.
- Por tanto, su montaje se realiza bien con tuercas o tornillos según el modelo escogido, sujetando una parte al chasis fijo y la otra parte a la máquina a suspender.
Ventajas:
- Simplicidad de montaje.
- Gran elasticidad (sobre todo transversal).
- Economía
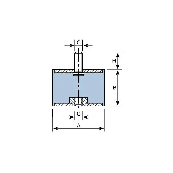
Medidas:
- A (mm.): 16mm.
- B (mm.): 20mm.
- C (mm.): M-5
- H (mm.): 12
- Peso (Kg.): 0,011
- Compresión (Carga máx. daN): 15
- Compresión (Flecha mm.): 4
- Cizallamiento (Carga máx. daN): 2,5
- Cizallamiento (Flecha mm.): 4














